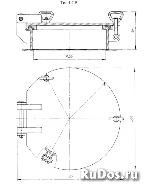
Крышка ДУ Ø 350 светового люка барашковыми задрайками
Размещено 07 января 2026
70
0
Жалоба
- Параметры объявления
- Тип: Суда
- Описание
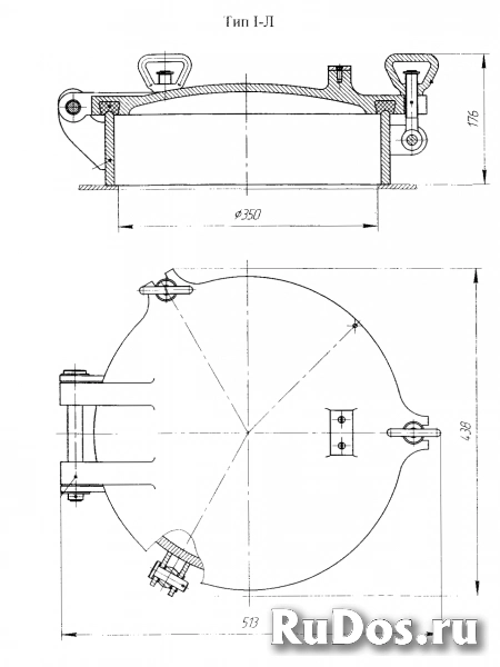
ДУ Ø 350 круглая
черт. 2897-262-1
Крышка судового люка ДУ Ø 350 стальная, круглая
с барашковыми задрайками плоское полотно
ООО «ТЕХНО-ФЛОТ» г. Волжский производит судовое палубное оборудование
сертификат РМРС, РКО, сроки изготовления и цена по запросу доставка любой ТК в регионы.
черт. 2897-262-1
Крышка судового люка ДУ Ø 350 стальная, круглая
с барашковыми задрайками плоское полотно
ООО «ТЕХНО-ФЛОТ» г. Волжский производит судовое палубное оборудование
сертификат РМРС, РКО, сроки изготовления и цена по запросу доставка любой ТК в регионы.
Волгоградская область, Волжский, 1-й Индустриальный проезд