Роторно-Плёночный Испаритель по ТЗ Заказчика. Завод Гранд.
Размещено 29 декабря 2025
24
0
Жалоба
- Описание
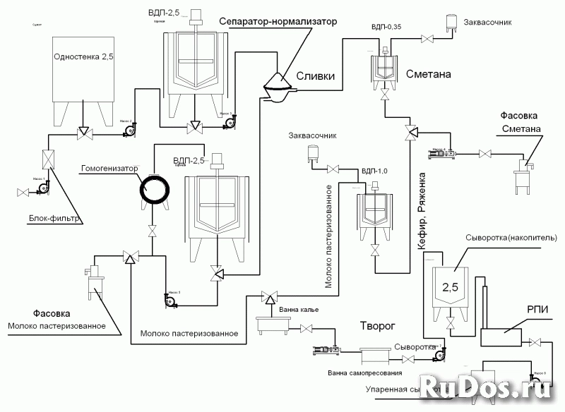
- Роторно-плёночные испарители (РПИ) для выпаривания, сгущения и дистилляции температурно-неустойчивых (термолабильных) органических и неорганических продук¬тов любой вязкости в химической, нефтехи¬мической, микробиологической, фармацевтической, пищевой и других отраслях промышленности. Для сгущения хим. веществ и очистки от летучих фенолоальдегидов, эпоксидов и других олигомеров, сгущения промышленных отходов и стоков, пищевых продуктов, молока, соков; переработки молочной сыворотки, после-спиртовой барды, пивной дробины и т.п.
- Проектирование и ИЗГОТОВЛЕНИЕ аппаратов, реакторов, линий для химических и биологических процессов.
- Ферментёры, био-реакторы, экстракторы (перколяторы) различных типов и объёма; лабораторные, пилотные, промышленные.
- Емкости химстойкие из нерж. стали AISI 316, 321, 304, 10Х17Н13М2Т, 06ХН28МДТ, 03Х17Н14М3 и др. от 10 л. до 100 м.3.
- Ёмкости одно-, двух- и 3-х стенные, с приводами, мешалками и без приводов.
- РЕАКТОРЫ до 25 000 л.; реакторы под давлением/вакуумом, стерилизаторы; деаэраторы (дегазаторы), автоклавы, пастеризаторы, ВДП, смесители готовой продукции, накопители и др.
- Масляные, нефтеналивные, спиртовые, ЦКТ, пожарные, подземные ёмкости.
смесители «пьяная бочка», мешалки для еврокубов и др. по ТЗ заказчика.
- Шаровые мельницы по ТЗ.
- Шнековые транспортеры, загрузчики и дозаторы от 0,1 л. до 100 л. и более.
- Ограждения лестничных маршей из нержавеющей стали, лестницы, сушилки.
- Нейтральное оборудование.
- Столы, стеллажи, шкафы, тележки, мойки, полки и др. нейтральное оборудование.
- Любое не стандартное оборудование из нержавеющей стали и из черного металла по тех. заданию или чертежам заказчика.
Сертификат. Гарантия. Пусконаладка.
Лизинг.
Коммерческий директор Завода «ГРАНД»,
Андрей Юрьевич
grand-obninsk@mail.РУ
grandzavod@ЛИСТ.РУ
+7 (901) 995-57-38
+7 (910) 518-03-61
8(484)399-07-38
- Проектирование и ИЗГОТОВЛЕНИЕ аппаратов, реакторов, линий для химических и биологических процессов.
- Ферментёры, био-реакторы, экстракторы (перколяторы) различных типов и объёма; лабораторные, пилотные, промышленные.
- Емкости химстойкие из нерж. стали AISI 316, 321, 304, 10Х17Н13М2Т, 06ХН28МДТ, 03Х17Н14М3 и др. от 10 л. до 100 м.3.
- Ёмкости одно-, двух- и 3-х стенные, с приводами, мешалками и без приводов.
- РЕАКТОРЫ до 25 000 л.; реакторы под давлением/вакуумом, стерилизаторы; деаэраторы (дегазаторы), автоклавы, пастеризаторы, ВДП, смесители готовой продукции, накопители и др.
- Масляные, нефтеналивные, спиртовые, ЦКТ, пожарные, подземные ёмкости.
смесители «пьяная бочка», мешалки для еврокубов и др. по ТЗ заказчика.
- Шаровые мельницы по ТЗ.
- Шнековые транспортеры, загрузчики и дозаторы от 0,1 л. до 100 л. и более.
- Ограждения лестничных маршей из нержавеющей стали, лестницы, сушилки.
- Нейтральное оборудование.
- Столы, стеллажи, шкафы, тележки, мойки, полки и др. нейтральное оборудование.
- Любое не стандартное оборудование из нержавеющей стали и из черного металла по тех. заданию или чертежам заказчика.
Сертификат. Гарантия. Пусконаладка.
Лизинг.
Коммерческий директор Завода «ГРАНД»,
Андрей Юрьевич
grand-obninsk@mail.РУ
grandzavod@ЛИСТ.РУ
+7 (901) 995-57-38
+7 (910) 518-03-61
8(484)399-07-38