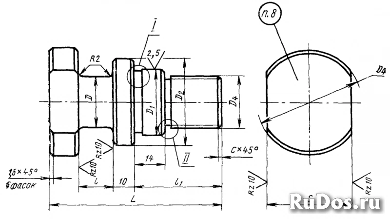
Переходники для кокилей гост 21090-75

Объявление снято с публикации. Посмотреть другие объявления в этой категории
Размещено 25 декабря 2025 77
  • Параметры объявления
  • Вид объявления: Товар от производителя
  • Доступность: Под заказ
Показать описание

  • Описание
Комментарии остановлены!
0.356