Стоимость подлежит уточнению из-за колебания курса валют!
ТЕХНИЧЕСКИЕ ХАРАКТЕРИСТИКИ
Нормы проектирования RID/ADR, IMDG, ASME VIII DIV 1,
TIR, UIC, CSC, TC,CFR49,FRA,CGA 341
Тип Т75 переносная цистерна
Рама - в соответствии с ISO 1496/3
Угловые элементы контейнера - в соответствии с ISO 1161
Код размера и типа 22К7
Номинальная емкость (± 1% допуск) 19500л
РАЗМЕРЫ И МАССА
Танк-контейнер в комплекте
Максимально разрешенная масса 36000 кг
Масса тары 8950 кг
длина 6058 мм
ширина 2438 мм
высота 2591 мм
Внутренняя емкость
Внутренний диаметр 2155 мм
Круговая внутренняя длина цилиндра 4600 мм
Номинальная толщина оболочки 11 мм
Номинальная толщина крышки 11 мм
Минимальная толщина крышки после формования 10 мм
Допуск на коррозию 0 мм
Внешняя емкость
Внутренний диаметр 2415 мм
Круговая внутренняя длина цилиндра 5070 мм
Номинальная толщина оболочки 5 мм
Номинальная толщина крышки 8 мм
Допуск на коррозию 0 мм
ДАВЛЕНИЕ И ТЕМПЕРАТУРА
Внутренняя емкость
Расчетная температура -196°С/50°С
Максимально допустимое рабочее давление 22.0 Бар/2.2 МПа
Пневматическое испытательное давление 29.9 Бар/2.99 МПа
Испытание на герметичность под давлением 19.8 Бар/1.98 МПа
Внешняя емкость
Диапазон температуры окружающей среды -20 до +50°С
Расчетное давление - 1 Бар/- 0.1 МПа
МАТЕРИАЛ КОНСТРУКЦИИ
Рама Низколегированная высокопрочная конструкционная сталь Q345-D-GB/Т1591
Внутренняя оболочка и крышки Жаропрочная хромистая и хромоникелевая нержавеющая сталь для сосудов высокого давления SA-240M 304
Внешняя оболочка и крышки Высокопрочная низколегированная конструкционная сталь Q345R
ИЗОЛЯЦИЯ
Вид изоляции Высоковакуумная многослойная изоляция
Материал Алюминиевая фольга
Степень вакуумной герметизации 0,1 Па
Утечка вакуумной прослойки при проверке гелиевым течеискателем 5х10-9Па • м3/с
дегазации вакуумной прослойки при проверке гелиевым течеискателем 1 х 10-6 Па • м3/с
ПРИСПОСОБЛЕНИЯ И АКСЕССУАРЫ
Типы клапанов Криогенные из нержавеющей стали с удлиненным шпинделем
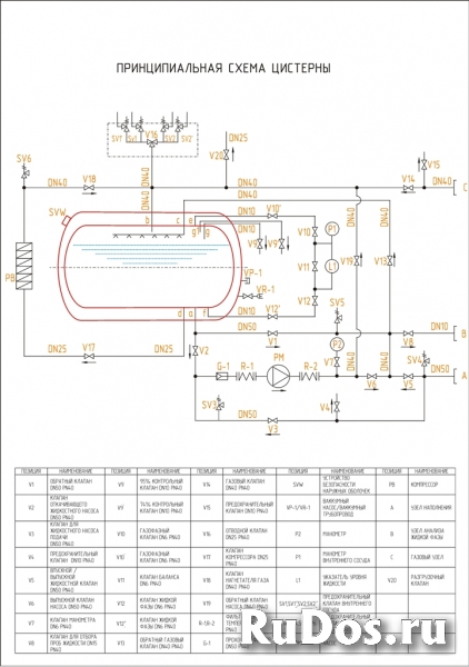
Узел нижнего залива/Линия жидкости Клапаны Herose - 5 х DN50 (2") шаровый (V1, V2, VЗ, V5, V6) концевое соединение М68Х2 наружное резьбовое соединение и крышка М68Х2
Узел нижнего залива/Газовая линия Клапан Herose - 1 х DN40 (1½") шаровый (V13) общий с нижним заполнением
Уравнительная линия Клапан Herose - 1 х DN40 (1½") шаровый (V19)
Вентиляционная линия Клапан Herose - 1 х DN40 (1½") шаровый (V14) концевое соединение М60Х2 наружное резьбовое соединение и опорная крышка М60Х2
Блок повышения давления Клапан Herose - 1 х DN40 шаровый (V18) + 1 х DN25 шаровый (V17)
Отвод от емкости к БПД (жидкостной) DN25 (1 ") и отвод от БПД к емкости (паровой) DN40 (1½")
Предохранительный клапан в сборе Клапаны Herose - 4 х (¾" х 1") бронзовые предохранительные клапаны (SV1, SV1', SV2, SV2')
Установленное давление 22.0 Бар/2.2 МПа
Количество Клапан Herose - 1 х ¾ "х 4 порта 3-х ходовой отводной шаровой кран (V16)
Кран для отбора проб Клапан Herose - 2 х DN15 (3/8") шаровый - 73% и 95% от общего объема (V9, V9 ')
Линия отбора проб Клапан Herose - 1 х DN15 (3/8") шаровый (жидкостной) (V8)
Линия очистки Клапаны Herose - 2 х DN15 (3/8") шаровый (V4, V15)
Устройство безопасности трубопровода Клапан Rego - 4 x(1/4" х 3/8") DN10 (3/8")предохранительные клапаны (SV3, SV4, SV5, SV6)
Насос Smith ATC-3R
Манометр 1ед. Класс точности - 1.6 Диапазон измерения 0~4.0 МПа
Датчик уровня жидкости 1ед. Давление номинальное 40 Бар
Диапазон измерения 0~3м Н2O
Пенал для документов Предусмотрен 1-прозрачный держатель для документов из ПВХ. Держатель является водонепроницаемым и устанавливается на конце рамы
Клапанный шкаф Стальной защитный шкаф с клапанами из нержавеющей стали, с дверцей из нержавеющей стали, вмещает клапаны газовой и жидкостной линии, манометр и уровнемер.
Очистка По окончании изготовления внутренняя поверхность внутренних сосудов обезжиривается, травится или пассивируется
Для улучшения работы сайта мы используем файлы cookie. Продолжая работу с сайтом, Вы разрешаете использование cookie-файлов. Политика конфедициальности